专业代码:080717T 学科门类:工学
一、培养目标
本专业全面贯彻党的教育方针,坚持社会主义办学方向,培养适应国家科技进步和社会发展所需要的德、智、体、美、劳全面发展的社会主义事业建设者和接班人。本专业以“健全人格、民族使命、专业知识、实践能力、创新精神”为学生的核心培养要素,使学生具备综合人文素养,掌握人工智能学科的基础理论知识和工程专业知识,具备运用先进的工程化方法、技术和工具从事复杂人工智能工程问题的分析、设计、开发、测试、维护等工作的能力,培养学生的创新意识和团队协作能力,使学生成为具有中国特色的“综合性、创新性、国际性”的高素质应用型人才,立足山东省人工智能产业集群,为优化产业结构,促进数字经济发展提供动力,能在IT行业、行政、事业单位等从事人工智能领域的相关工作。本专业培养学生毕业5年左右应具备以下能力指标:
目标1:具备工程师的专业素质、社会责任感与民族使命感,坚持马列主义和毛泽东思想,践行科学发展观和中国特色社会主义核心价值体系。
目标2:熟悉人工智能相关领域的发展现状及动态,能够运用专业知识对复杂的工程问题进行系统性分析,并提出解决方案。
目标3:能够运用现代工具及人工智能专业知识,在计算机视觉、自然语言处理、语言识别等人工智能产业领域中从事研发工作。
目标4:具备健康的身心和良好的人文素养,拥有团队协作精神、有效沟通与表达的能力,能够作为技术骨干在工作中发挥积极作用。
目标5:拥有终身学习和自我完善的能力,具有一定的国际化视野,能够通过工程实践及继续教育等方式,持续提高专业素养和自身素质。
二、毕业要求
本专业以培养学生社会主义核心价值观为主线,强调掌握数学与自然科学基础知识、计算机科学基本理论知识、技能和方法,具备包括计算思维在内的科学思维能力和系统设计与实现的能力,具备清晰表达和团队协作的能力,能通过继续教育或其他的终身学习途径拓展自己的能力,了解和紧跟学科专业发展,培养学生成为在人工智能研究、开发、部署和应用等相关领域具有就业竞争力的高素质技术人才,毕业要求如下所示。
毕业要求详细指标项如下:
1. 工程知识
1-1:能够掌握数学、自然科学、工程知识,用于人工智能领域的复杂工程问题的表述。
1-2:能够综合运用数学、工程基础和人工智能专业知识对人工智能领域的复杂工程问题建立数学模型并求解。
1-3:能够将人工智能专业知识和数学方法应用于推演、分析复杂工程问题。
1-4:能够将人工智能专业知识和数学方法应用于人工智能领域复杂工程问题解决方案的评估、比较和综合。
2. 问题分析
2-1:能够运用高等数学、物理学的基本概念、原理和人工智能技术的专业知识对人工智能相关领域的复杂工程问题进行识别和分解。
2-2:能够用恰当的数学模型准确表达分解后的人工智能问题,能够识别复杂工程问题的关键环节,分析关键参数,获得有效结论。
2-3:能够从多角度思考问题,通过文献检索与研究提出可替代的解决方案。
3. 设计/开发解决方案
3-1:能够掌握人工智能应用领域复杂工程系统设计与开发的流程和技术,针对特定的需求,设计开发满足需求的方案。
3-2:能够综合利用人工智能工程相关的综合知识和前沿技术,根据具体复杂问题提出设计开发解决方案,采用新方法和新技术进行复杂工程系统的设计,并具有一定的创新性。
3-3:能够在设计开发过程中考虑社会、健康、安全、法律、文化以及环境等因素对解决复杂工程问题的影响。
4. 研究
4-1:能够基于工程原理和科学方法,通过调研分析,针对人工智能相关的复杂工程问题,设计实验方案,配置实验平台。
4-2:能正确使用现有实验设备,针对可行的实验方案安全地开展实验和数据采集,并根据实验结果验证相关理论的正确性或方法的适用性。
4-3:能够对实验结果进行科学的分析、解释,并对多个子问题进行关联分析,找出冲突点并进行平衡,通过信息综合得到合理有效的结论。
5. 使用现代工具
5-1:掌握基本的计算机操作和应用,掌握常用的软件开发语言,包括C语言、python语言等,并能够在集成开发环境进行复杂的程序开发。
5-2:具备使用实验设备、计算机软件和现代信息工具对复杂工程问题进行模拟仿真的能力,理解其使用要求、运用范围和局限性。
6. 工程与社会
6-1:通过专业工程实习和社会实践,能够知晓并理解人工智能相关背景知识,包括技术标准体系、知识产权、产业政策和法律法规等。
6-2:能够结合人工智能相关背景知识,分析和评价人工智能领域复杂工程问题的解决方案对社会、健康、安全、法律、文化的影响,并理解应承担的责任。
7. 环境与可持续发展
7-1:了解环境保护和社会可持续发展的基本方针、政策和法律、法规,能够正确认识针对复杂工程问题的专业工程实践对环境和社会的影响;
7-2:能够针对实际工程问题,评价其资源利用率和对文化的冲击等一系列工程实践对环境、社会可持续发展的影响。
8. 职业规范
8-1:具有人文及社会科学素养,了解国情,理解社会主义核心价值观,树立正确的政治立场、世界观、人生观和价值观;
8-2:理解工程技术的社会价值以及工程师的社会责任,在工程实践中能自觉遵守职业道德和规范。
9. 个人和团队
9-1:能够主动与其他团队成员共享信息,合作共事,完成团队分配的工作;
9-2:能够胜任团队成员以及负责人的角色,能在团队协作中听取其他团队成员的意见和建议充分发挥团队协作的优势。
10. 沟通
10-1:具有良好的口头表达能力,能够清晰有条理地表达自己的观点,掌握基本的报告、设计文稿的撰写技能;
10-2:掌握至少一种外语应用能力,能够阅读本专业外文文献资料,能够使用技术语言在跨文化环境下与国内外业界同行及社会公众进行有效沟通和交流。
11. 项目管理
11-1:理解工程管理与经济决策的重要性,掌握工程管理的基本原理和常用的经济决策方法;
11-2:理解并掌握计算机开发项目管理中软件开发生命周期、技术选型、团队沟通和风险,满足软件质量控制、版本管理、测试和部署等特定的技术要求。
12. 终身学习
12-1:在信息技术不断推陈出新的大背景下,能正确认识自主学习和终身学习的必要性,具有自主学习和终身学习的意识;
12-2:能够通过文献查询、网络培训等多种渠道进行终身学习以适应职业发展的需求。
三、毕业要求对培养目标的支撑矩阵

四、课程设置
(一)主干学科
数学与应用数学、计算机科学与技术、人工智能
(二)主要课程
课程体系分为3大模块:数学基础、计算机基础和人工智能技术。课程体系以数学和计算机基础为支撑,以人工智能理论与技术为核心构建。
1. 数学基础
高等数学、线性代数、概率论与数理统计、离散数学等;
2. 计算机基础
计算机组成原理、操作系统、C语言程序设计、数据结构、数据库原理与应用、Python程序设计等;
3. 人工智能技术
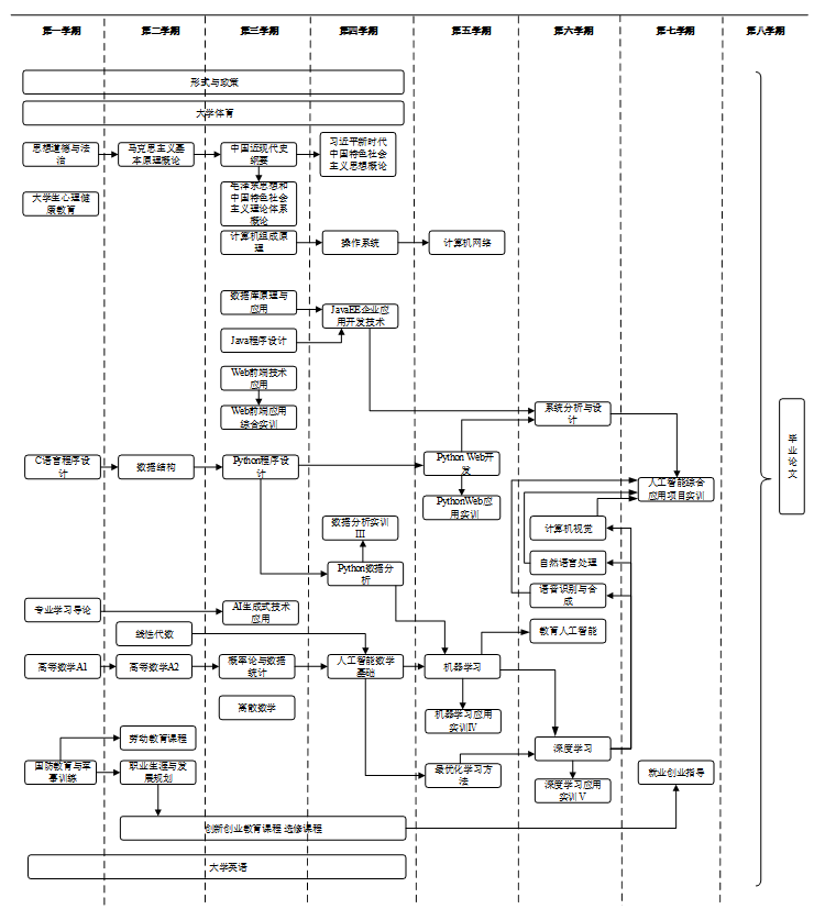
人工智能技术课程体系分为人工智能算法能力和人工智能工程能力两个层面,算法能力侧重在AI技术原理及其在视觉、语音和NLP等领域的应用,主要包括:Python数据分析、机器学习、深度学习、计算机视觉、语音识别与合成、自然语言处理等课程;工程能力侧重进行核心算法的模型部署和工程软件开发能力,主要包括:前端开发技术、系统分析和设计、Python Web开发技术等课程。
(三)实践性教学环节
包括:专业项目实训、人工智能综合应用项目实战、企业见习,毕业实习,毕业设计(论文)等。

(四)各环节学时学分比例

(五)课程体系教学进程逻辑图

五、修读要求
(一)修业年限与授予学位
学制:4年; 毕业年限:3-8年
授予学位:工学学士
(二)毕业标准与要求
学生毕业需同时具备以下条件:
1.必修课程最终成绩全部合格;
2.达到专业最低学分要求156.5学分;
3.符合学校规定的其他毕业要求并经教学委员会审核通过。
六、学院第二课堂实践教学课程学分互认办法
参照学校团委下发的《关于印发《齐鲁师范学院基于OBE理念下的“第二课堂”活动课程化建设指导意见》的通知》齐鲁师院字〔2023〕30号文件,现制定人工智能专业第二课堂实施方案和学分互认置换办法如下。

注:学生总置换学分不得超过10学分;校级以上包括校级,其它类同;每个奖项只能置换1门课程,不能重复使用;凡进行学分互认的课程最终评分统一为优秀,具体分值根据荣誉等级细分。
七、教学计划进程安排






八、开设课程与毕业要求的对应关系矩阵




课程思政要素表


课程与课程思政要素的关系矩阵





专业核心课程与学科核心素养的关系矩阵

